Download original image
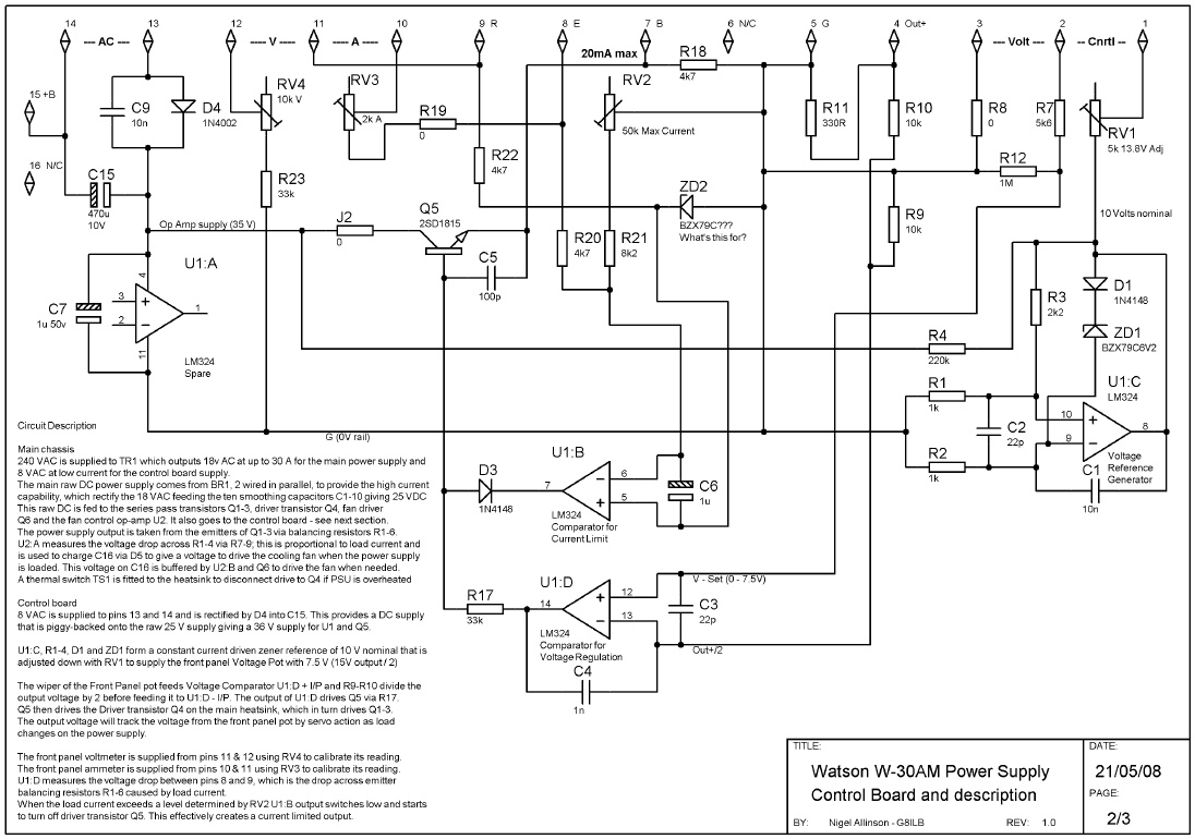
W 30 AM Control board
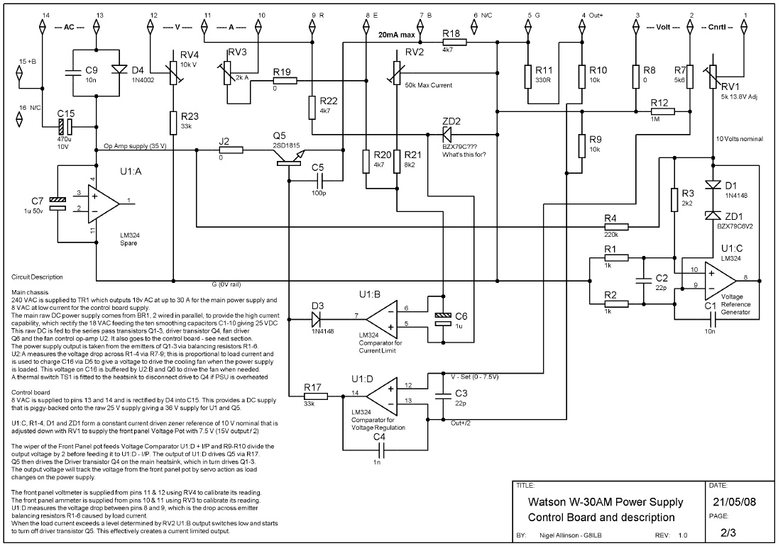
W 30 AM Control board